JFL213紧凑型二分频线性阵列模块集合了EAW前沿创新线性阵列技术。音箱整体重量轻, 方便移动,适合广泛的中小型场馆应用。与JFL118超低频音箱配套使用时,这套简单易用的系统能够解决流动与固定安装应用中的问题。
JFL213的二分频设计将两个10英寸的锥盆换能器安装在经优化设计的开口式箱体中,换能器间隔配置,从而将指向性控制扩展到低频范围。3个号角负载0.75英寸开口/1.75英寸音圈压缩驱动单元能在整个110°水平覆盖区域均匀散射高频信号。
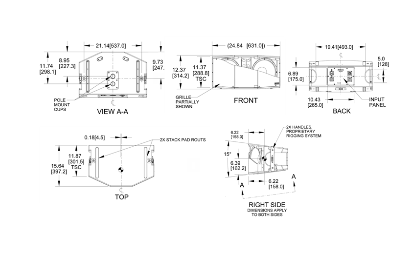
EAW的工程师优化设计JFL213的尺寸、形状和重量,便于单人运输和安装,带有设计作为安装系统的一部分的侧面把手,与音箱的平衡中心对齐。用户可使用直径为35mm(1.38英寸)的立杆在音箱支架上安装最多2只JFL213音箱。该立杆有一个设计巧妙的双角度安装托架,可将底部的音箱以0°或-15°的指向安装(2个模块的音箱阵列中,下面的模块朝向为-15°,上面的模块朝向为0°)。JFL118本身具备的集成立杆安装托架,使其可作为大而稳定的基底以进行立杆安装。
JFL213极其强固的安装系统让用户最多可以吊挂5个模块,安全因数为10:1,已达到或者超过国际上所有的强制标准。单人操作即可轻松将音箱模块与配件FB221吊杆进行连接,以及模块与模块之间进行连接。FB221吊杆同时还可用作地面堆叠安装基底,承受最多4只JFL213的重量。JFL213有2个M10螺纹安装点用于固定安装。
使用JFL213,用户可在单功放模式与双功放模式之间进行切换。双功放模式下,采用一个EAW UX系列数字处理器就能把JFL213的性能发挥到极致。UX系列数字处理器除采用高频阴影补偿滤波器外,还采用EAW Focusing™技术,对任何音箱或换能器时域内出现的异常进行校正。
我们采用牢固的RoadCoat™防划痕涂层对箱体进行保护,带有泡沫衬垫的耐用钢制网罩则保护换能器。
产品特点
. 二分频常曲率线性阵列模块
. 紧凑、轻量,“单人可托举”
. 安装简单,可吊挂,可地面堆叠
. 双模块支柱安装阵列,或吊挂最多五个模块
. 经典的EAW标准的输出、指向控制与保真度
配置
子系统:
换能器: 低频 - 2x10英寸锥盆;高频 – 3x0.75英寸开口,1.75英寸音圈压缩驱动
负载:低频 - 箱体开口;高频 – 号角负载
操作模式:
功放通道:单功放低频/高频;双功放低频,高频
外部信号处理:高通滤波器;DSP带双通道滤波器性能
操作范围(-10 dB,Hz)
65 – 20k
轴向灵敏度(1W @ 1m,dB SPL)
低频:96
高频:102
全频:95
功率处理/阻抗(W @ 欧姆)
低频:800 @ 8
高频:80 @ 16
全频:800 @ 8
计算的最大峰值输出(dB SPL)
低频:131
高频:130
全频:130
计算的最大长期输出(dB SPL)
低频:125
高频:124
全频:124
标称覆盖(度数)
水平:110
垂直:15
子系统
低频:2x10英寸锥盆,箱体开口
高频:3x0.75英寸开口压缩驱动,号角负载
供电
可切换:双功放/无源订购信息
版本
JFL213 黑色 2039855-90
JFL213 白色 2041840-90
配件 部件编号
带肩吊环螺栓M10 x 1.5 x 37mm 0029818
吊杆JFL & HDA黑色[FB221] 2036411
地面堆叠套装[ACC-GS210] 0032678
尺寸(英寸/毫米)
高度:12.37/314
宽度:24.84/631
深度:15.64/397
梯形角度(顶部与底部度数):7.5
重量(磅/千克)
净重:62/28
装运重量:75/34


