Compact design and a wealth of mounting options make the EAW Commercial SMS3 (black) and SMS3W (white) compact 2-way loudspeakers ideal for use in business music systems. The woofer is a high-excursion, carbon fiber design. The mylar dome tweeter is mounted on a contant directivity horn to provide natural, smooth sound reproduction and high resistance to weather. Installation of the SMS3 is fast and efficient using the accompanying adjustable wall-mounting bracket. Four M6 threaded inserts add to the speaker’s flexibility. Connections are made to recessed color-coded, spring-loaded terminals. Wattage taps, voltage adjustments, and 4-ohm operation are selectable by means of two detented rotary switches. The enclosure is constructed of high density, scratch resistant polystyrene and includes a protective perforated steel grille and connection cover. Available in black (SMS3) or white (SMS3W). The SMS3 is a part of EAW Commercial’s SMS Series Surface Mount Speakers, which includes two-way constant directivity, compact speakers in easily installed enclosures.
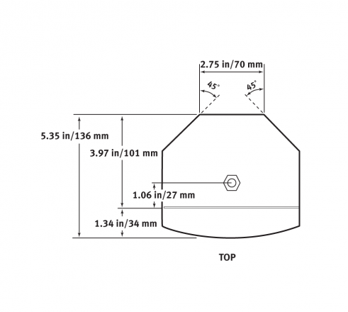
Transducer: LF 1x 4.75-in cone; HF 1x .5-in. dome Loading: HF: Horn Loaded Amplifier Channels: Single-amp LF/HF External Signal Processing: High Pass Filter Operating Range (-10 dB, Hz) Full Range: 100 – 20k Axial Sensitivity (1W @ 1m, dB SPL) Full Range: 88 Power Handling/Impedance (Watts @ Ohms) Full Range: 30 @ 4 Calculated Maximum Output Peak (dB SPL) Full Range: 111 Calculated Maximum Output Long Term (dB SPL) Full Range: 105 Transformer Taps (Watts) 1, 2.5, 5, 10, 20 Nominal Coverage (degrees) Horizontal: 100 Vertical: 110 SMS3 Black 0010003 SMS3 White 0010004 Dimensions (inches/millimeters) Height: 8.50/216 Width: 6.06/154 Depth: 5.35/136 Weights (pounds/kilograms) Net: 4.9/2.2 Download the SMS3 Spec Sheet


